时间:2025/9/23 阅读:272 关键词:开关电源

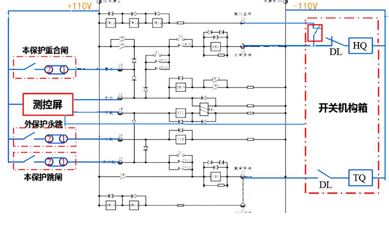
实际运用中控制回路图



保护屏后控制回路接线图


控制回路中测控手合手分回路

测控屏内控制回路接线图

控制回路中开关机构内回路

开关机构内控制回路

开关机构内控制回路

深圳市福田区华强北路
1019号华强广场A座9J
0755-83212595
139 2389 6490 微信
postmasterr@jingyeic.com
全球现货一站配齐
原厂代理分析授权
闪电发货配货快