时间:2023/1/4 阅读:4997 关键词:mos管
防倒灌电路设计中的Oring电路
Oring电路单向导电电路。
Oring电路作用:保证各个单体电源互相独立、不出现反灌现象
应用:均流电路中。
二极管由于本身具有单向导电性,所以他就是天然的Oring电路。最基本的Oring电路就是在输出端加一个二极管,如下图

根据此单体电源的输出电流和系统中连接在此单体电源输出端口可能出现的最高电压选择二极管。
由于二极管的正向压降比较大,当输出电流很大时(如100A),上图中的二极管Oring电路的损耗就非常大,显然不适用于大电流Oring,这时就要应用Mos管的Oring电路,
如下图所示

当无输出电流时,关断开关管、由体二极管去阻断,有输出出电流时使开关管导通,从而可以保证单向导电同时也减少正向导通时发生的损耗。
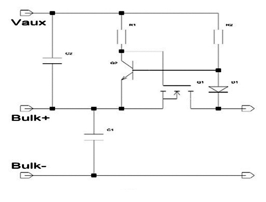
以上2个电路图需要一个额外的辅助电压。
此电路的关键因素之一是如何正确、恰当的去控制Mos管的开关。而严格的讲上图中电路一般是不能胜任的,因为Q2的BE结电压与D1的导通压降一般不相等,如何保证他们的电压相等,从而使Mos管恰当的开关,如下电路:

Q2,Q3是同样的管子,可保证两电压是基本相等,或者选用集成此两个三极管的器件,这样就几乎相等了,从而可以保证可以恰当的开关。
上电路要Mos管的高可靠性,又需要加一些额外的电路,如下图所示:

此为非常可靠的Oring电路
R1,R2可在具体的电路中折中选择,因为如果取值太大会提高效率,但是当外界有反高压时会反灌进去一些电流,取值太小又会降低效率。
关注竟业电子微信公众号,查看更多文章

深圳市福田区华强北路
1019号华强广场A座9J
0755-83212595
139 2389 6490 微信
postmasterr@jingyeic.com
全球现货一站配齐
原厂代理分析授权
闪电发货配货快