时间:2020/9/28 阅读:2644 关键词:场效应管
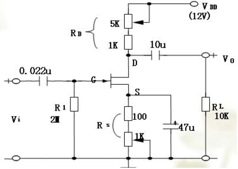
场效应管共源极放大器实验电路图
如下图所示:
自给偏压方式为放大器建立静态工作点,R1中无电流流过,栅极通过R1接地,栅极与地等电位。
VG=0 用万用表测出静态工作点IDQ和VDSQ值;

输出阻抗测量
放大器输出阻抗值
场效应管共源极放大器带负载能力
用伏安法测试放大电路输出阻抗测试电路图

输入信号频率选择在放大电路中频段
输入信号大小调整到确保输出信号不失真
用示波器监视输出信号波形
1.不接负载RL,用毫伏表测得输出电压V01
2.接上负载RL,用毫伏表测得输出电压V02
得以下公式:


输入阻抗测量
如下图所示:

输入回路中串接一个取样电阻R,输入信号调整在放大电路用晶体管毫对地交流电压VS与Vi,两端电压 VR=VS-Vi
经过电阻R电流=放大电路输入电流Ii
电阻的定义得公式如下所示:

高输入阻抗Zi测试
与源极跟随器相似高输入阻抗放大器输入阻抗
等效
输入电阻Zi与输入电容Ci并联
因此得出Ri值,Ci值即可得输入阻抗Zi值
Ri值
毫伏表输入电阻 > 被测电路输入电阻*20
原因:被测电路输入阻抗高,直接用毫伏表测被测放大电路输入端,引起误差;
被测电路似源极跟随器,输入阻抗高,输出阻抗低,可直接测输出电压;

电路中串入一个阻值大取样电阻R,测试时:
将电阻R短路,测出放大器输出电压U01=Au.Ui.
拆除R短路线,测出输出电压U02,
两次测试中Au和Ui不变,因此可求得放大电路输入电阻如下

深圳市福田区华强北路
1019号华强广场A座9J
0755-83212595
139 2389 6490 微信
postmasterr@jingyeic.com
全球现货一站配齐
原厂代理分析授权
闪电发货配货快